Найдено 7 результатов
- 02 дек 2025, 13:25
- Форум: Обучающие видео материалы
- Тема: Поиск по обучающим видео
- Ответы: 3
- Просмотры: 316
Поиск по обучающим видео
Решил на старости лет "изучить" программирование. Естественно, самые информативные уроки, это видео. Собрал небольшую коллекцию ссылок на видео с разных каналов. Сделал файл с поиском. Например, нужно изучить какой-то блок. Набираю в поиске, и выборка на все видео с этим названием. Один автор хорошо ...
- 23 ноя 2025, 19:15
- Форум: OnLine Общение
- Тема: помогите новичку
- Ответы: 196
- Просмотры: 18531
Re: помогите новичку
Я делаю под 7107, на LED, опечатался (типа оговорился). У меня их есть трохи, с СССР еще. Страшно гордился ими.
- 23 ноя 2025, 16:25
- Форум: OnLine Общение
- Тема: помогите новичку
- Ответы: 196
- Просмотры: 18531
Re: помогите новичку
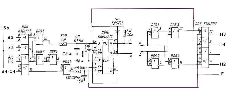
Тогда для чего это устройство , что оно делает? Или ссылку дайте в конце концов, не сами же рисовали
Это схема из Радио 2006 №11 Цифровой мультиметр с автоматическим выбором предела измерения
Я оставил только вольтметр и амперметр и адаптирую под ICL7106. Сейчас сделал разводку платы, жду мс с ...
- 23 ноя 2025, 11:01
- Форум: OnLine Общение
- Тема: помогите новичку
- Ответы: 196
- Просмотры: 18531
Re: помогите новичку
Опишите входа и что должно быть на выходах , алгоритм работы то есть . Или саму задачу, а не реализацию ее.
Спасибо. Я думал достаточно схему нарисовать и flprog запрограмирует :smile250: А вот с алгоритмами с молоду проблемы были, поэтому дальше пары страниц учебника не осиливал. А сейчас ...
- 22 ноя 2025, 22:24
- Форум: OnLine Общение
- Тема: помогите новичку
- Ответы: 196
- Просмотры: 18531
Re: помогите новичку
Можно ли в этой схеме просто задать коды входов и что нужно на выходе МК без прорисовывания всей логики? ИЕ10 там прорисовать не допер.
- 22 ноя 2025, 22:16
- Форум: OnLine Общение
- Тема: помогите новичку
- Ответы: 196
- Просмотры: 18531
Re: помогите новичку
Это как словами? ИИ ?
- 22 ноя 2025, 20:51
- Форум: OnLine Общение
- Тема: помогите новичку
- Ответы: 196
- Просмотры: 18531
Re: помогите новичку
Только сегодня узнал о программе. Подскажите, можно перевести эту схему в программу или она не для этого. От ответа зависит буду изучать или нет.

зы. Полазил по программе, не придумал как аналог ИЕ10 собрать. Думал здесь есть база как в симуляторах.

зы. Полазил по программе, не придумал как аналог ИЕ10 собрать. Думал здесь есть база как в симуляторах.